Though incremental coordinates are used in certain operations, absolute coordinates dictate the movements of both tool and workpiece for most CNC machines.
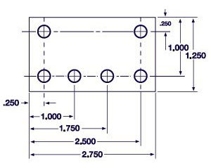
With absolute coordinates, the origin is always in a fixed position. Each new location is calculated from this fixed origin instead of the previous location. Even if there is an error while reaching the current location, that error is corrected once the tool or workpiece moves to the next location. Figures 1 and 2 compare two blueprints that use incremental and absolute calculations.
To return to the driving example, absolute coordinates are similar to driving according to street names instead of counting street by street. The street names act as fixed reference points that prevent you from perpetuating a driving mistake if you miss a turning point.
With absolute coordinates, the origin is always in a fixed position. Each new location is calculated from this fixed origin instead of the previous location. Even if there is an error while reaching the current location, that error is corrected once the tool or workpiece moves to the next location. Figures 1 and 2 compare two blueprints that use incremental and absolute calculations.
To return to the driving example, absolute coordinates are similar to driving according to street names instead of counting street by street. The street names act as fixed reference points that prevent you from perpetuating a driving mistake if you miss a turning point.





